(31) 3025-9650 | (31) 99745-3328

GEFRAN – KS-E-E-E-B06D-M-V

  • Eleve a confiabilidade do seu processo com o Transdutor de pressão KS da Gefran.
  • Compacto e altamente confiável. Projetado para medições precisas com alta estabilidade e consistência. repetibilidade. Corpo em aço inoxidável e tecnologia de sensor priezoresistivo, solução ideal para aplicações industriais que exigem precisão sem abrir mão de simplicidade e eficiência
  • Aplicações: Ideal para monitoramento e controle de pressão em sistemas hidráulicos e pneumáticos, além de processos que necessitam de leitura precisa e confiável de pressão.
  • Sinal de saída: 4…20mA
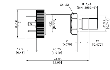
  • Conexão de pressão: G 1/4 gás macho (DIN 3852-E)
  • Conexão elétrica: Conector DIN 4 pinos (P18)
  • Range de medição: 60 bar
  • Temperatura Ambiente: -40 a 125°C
PN:
1267
Código:
KS-E-E-E-B06D-M-V
Fabricante:
GEFRAN